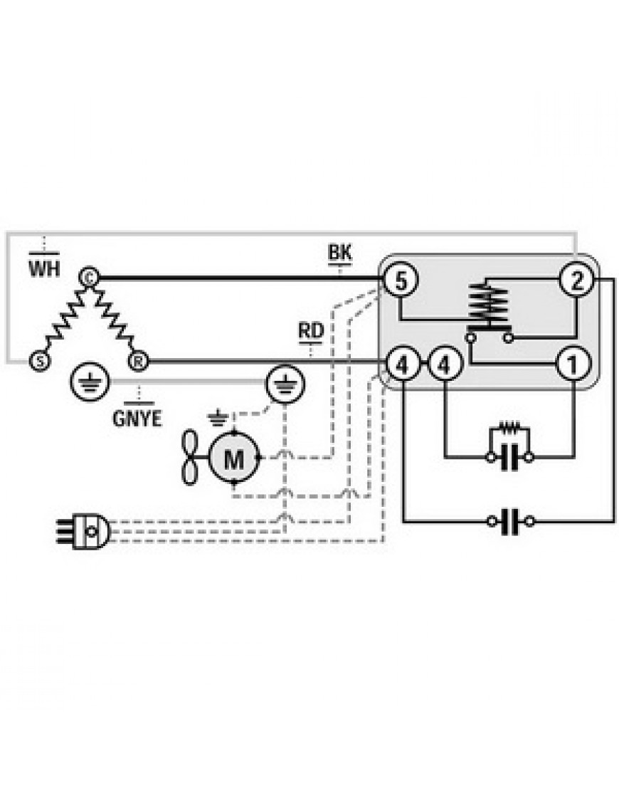
Компресор для холодильника EMBRACO NJ2212GS R404a 1481W (з пусковим реле CSCR)
| Бренд: | Embraco |
| Модель: | NJ 2212 GS |
| Наличие: | 2-3 Days |
-
₴8 878.00
- Без налога: ₴8 878.00
| Вес нетто, кг | 21.5 |
| Вид | LBP низькотемпературний |
| Количество масла в системе, ml | 750 |
| Объем цилиндра, cm³ | 34.38 |
| Питание | 380-400 V 50 Hz |
| Страна производитель | Словаччина |
| Температурный режим | -40°C ... -10°C |
| Тип | Поршневий |
| Тип двигателя | CSCR |
| Тип корпуса | Герметичний |
| Тип масла | ISO22 |
| Фреон | R404a |
| Холодопроизводительность, W | 1481 |
Компресор для холодильника EMBRACO NJ2212GS R404a 1481W (з пусковим реле CSCR)





